电动窗帘中的微型直流电机需要减速机才可以带动窗帘的升降、开合,那么电动窗帘微型直流减速电机选型有哪些要素呢?

电动窗帘微型直流减速电机也是齿轮减速电机中的一种,采用行星齿轮减速机,是应用非常广泛的减速机,也叫做齿轮减速箱、牙箱。除了应用在电动窗帘之外,还在各行各业产品中应用广泛,如机器人、医疗设备、电子锁、办公设备等领域,不同行业产品中应用的微型直流减速电机型号、参数、性能都是不一样的,在选择微型直流减速电机型号参数都需要注意哪些要点呢?
电动窗帘选购直流减速电机需要确定其应用场所、环境要求、工作温度等因素,还需要确定电动窗帘直流减速电机的电流、电压、转速、减速比、传动比、扭矩、载荷能力、噪音、传动效率等。
电动窗帘直流减速电机的输出扭矩、安装方式、根据直流减速电机的法兰大小选择减速机,如输出轴扭矩不足需重新匹配,对于电动窗帘电机的寿命而言,扭力计算十分重要,要注意加速度的最大转矩值是否超过微型直流减速电机的最大负载扭力。

电动窗帘微型减速电机常见参数:
额定电压:12.0V
额定负载:50g.cm
电流:105mA
转速:6800rpm±10%
负载电流:350mA
负载转速:6050rpm±10%
堵转力矩:450g.cm
堵转电流:2000mA
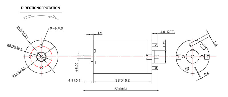
电动窗帘电机尺寸:22mm×38mm
更多有关微电机资讯,请继续关注天孚微电机。
源头厂家Source manufacturer
按需定制Demand customization
品质保障Quality guarantee